

【产品简介】
1000型喷塑旋振筛简介:1000型喷塑旋振筛,底座采用喷塑工艺处理永不生锈。1000型喷塑旋振筛是一款专注于高精度筛分的筛分机。该旋振筛里外抛光符合卫生标准,对环境无污染,对人体无害;涂层外观质量
免费获取报价
全国统一销售热线
1000型防腐旋振筛简介:
1000型防腐旋振筛,底座采用喷塑工艺处理不生锈。1000型喷塑旋振筛是一款专注于高精度筛分的筛分机。该旋振筛里外抛光符合卫生标准,对环境无污染,对人体无害;涂层外观质量优异,附着力及机械强度强;涂层耐腐耐磨能力高出很多;有效防止静电的产生。
1000型防腐旋振筛工作原理:
1000型喷塑旋振筛是一种高精度细粉筛分机械,工作原理是由直立式电机作激振源,电机上、下两端安装有偏心重锤,将电机的旋转运动转变为水平、垂直、倾斜的三次元运动,再把这个运动传递给筛面。调节上、下两端的相位角,可以改变物料在筛面上的运动轨迹,由于其振动运转原理很多企业也称之为“三次元振动筛分过滤机”,根据外形结构被部分客户称呼为圆形筛。
1000型防腐旋振筛特点:
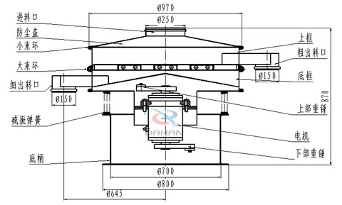
1000型防腐旋振筛结构图:

旋振筛厂家-大汉振动机械有限公司可根据客户需要特殊制造:
目前业内报价相对透明,价格的构成主要是由三个因素决定:...
淀粉旋振筛价格: 4000-37000元 ,其价格主要有以下几个因素决定...
河南省新乡市作为振动筛厂家集聚地,分布有百余家的厂家,哪...
河南省新乡市作为振动筛厂家集聚地,分布有百余家的厂家,哪...
Copyright ? 2007-2020 新乡市大汉振动机械有限公司 版权所有
All Rights Reserved 备案序号:豫ICP备09002479号-15