

【产品简介】
1500三层不锈钢旋振筛直径为1500mm,三层四出口旋振筛,底桶为碳钢材质,与物料接触为304不锈钢。
免费获取报价
全国统一销售热线
1500三层不锈钢旋振筛简介:
1500三层不锈钢旋振筛直径为1500mm,3层4个出口旋振筛,底桶为碳钢材质,与物料接触为304不锈钢,产量可达3600kg/时。
1500三层不锈钢旋振筛技术参数
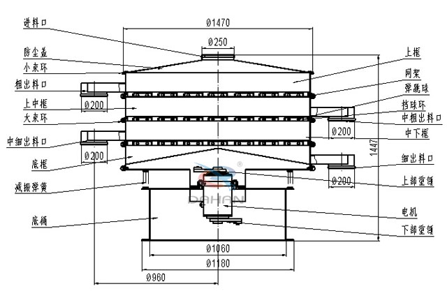
1500三层不锈钢旋振筛结构图:

1500三层不锈钢旋振筛工作原理:
1500三层不锈钢旋振筛直立式电机作激振源,电机上、下两端安装有偏心重锤,将电机的旋转运动转变为水平、垂直、倾斜的三次元运动,再把这个运动传递给筛面。调节上、下两端的相位角,可以改变物料在筛面上的运动轨迹,由于其振动运转原理很多企业也称之为“三次元振动筛分过滤机”,根据外形结构被部分客户称呼为圆形筛。
1500三层不锈钢旋振筛细节展示:






奶粉的筛选离不开振动筛设备,一般厂家建议选择不锈钢旋振筛...
筛分面粉一般选择的振动筛是不锈钢旋振筛,而其价格一直是用...
大汉医药不锈钢旋振筛价格: 500045000 医药不锈钢旋振筛整机采...
不锈钢旋振筛采用304不锈钢材质,耐磨性、耐腐蚀性能好,筛分...
Copyright ? 2007-2020 新乡市大汉振动机械有限公司 版权所有
All Rights Reserved 备案序号:豫ICP备09002479号-15