

【产品简介】
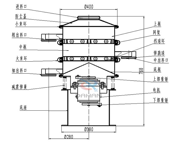
400型全不锈钢旋振筛整机为不锈钢材质,进料口出料口不带翻遍便于链接,该旋振筛主要应用于食品医药行业等等对环境要求比较高的行业使用。
免费获取报价
全国统一销售热线

400型全不锈钢旋振筛整机为不锈钢材质,进料口出料口不带翻遍便于链接,该旋振筛主要应用于食品医药行业等等对环境要求比较高的行业使用。

400型全不锈钢旋振筛是一种高精度细粉筛分机械,工作原理是由直立式电机作激振源,电机上、下两端安装有偏心重锤,将电机的旋转运动转变为水平、垂直、倾斜的三次元运动,再把这个运动传递给筛面。调节上、下两端的相位角,可以改变物料在筛面上的运动轨迹,由于其振动运转原理很多企业也称之为“三次元振动筛分过滤机”。

1、效率高、设计精巧耐用,精类、粘液均可筛分。
2、换网容易、操作简单、清洗方便。
3、网孔不堵塞、粉末不飞扬、可筛至500目或0.028mm。
4、杂质粗料自动排出,可以连接作业。
5、子母网结构式网架结构,筛网使用时间长久,换网快,只需3-5分钟。
6、体积小,节省空间、移动方便。







| 型号 | 直径 (mm) |
进料尺寸 (mm) |
频率 (RPM) |
层 | 功率 (kw) |
产量 (kg/h) |
| DH-400 | 400 | <10 | <1500 | 1-5 | 0.18 | 100 |
奶粉的筛选离不开振动筛设备,一般厂家建议选择不锈钢旋振筛...
筛分面粉一般选择的振动筛是不锈钢旋振筛,而其价格一直是用...
大汉医药不锈钢旋振筛价格: 500045000 医药不锈钢旋振筛整机采...
不锈钢旋振筛采用304不锈钢材质,耐磨性、耐腐蚀性能好,筛分...
Copyright ? 2007-2024 新乡市大汉振动机械有限公司 版权所有
All Rights Reserved 备案序号:豫ICP备09002479号-15