

CZ电磁仓壁振动器简称电磁振动器、电磁振打器,安装在粉料仓下部缩口处外侧,采用220V电压作为工作电源,依靠高频振动和冲击力,有效地消除物料由于内磨擦、潮解、带电、成份偏析等原因引起的堵塞、塔拱现象,使物料从料仓口顺利排出。
仓壁厚度:0.6-14mm 振动频率:3000次/分
激振力:0.1-10N 功率:0.008-0.2
免费获取报价
全国统一销售热线
CZ电磁仓壁振动器CZ电磁仓壁振动器(又称电磁仓壁振打器)靠高频振动和冲击力,有效地消除物料由于内磨擦、潮解、带电、成份偏析等原因引起的堵塞、塔拱现象,使物料从料仓口顺利排出电磁仓壁振动器能保证稳定地供料所必需的设备,使用电磁振动器作疏料装置,结构简单,下料流畅,能稳定给料系统,也可用在其它需振动源的机械上。电磁振动器使用简单,在线圈绕组引线串接随振动器附带的二极管,接通220V交流电源即可工作,可广泛在化工、建材、矿产等粉体机械上使用。

大米试机
CZ电磁仓壁振动器可用于各种振动机械,如给料机、振动筛、小型输送机、振动平台等,可用在化工厂下料口,食品厂下料口,洗煤厂下料口,煤仓,疏通管道等,已广泛用于矿山、冶金、化工、建材、机械等各行业中。

振动力大:激振力与功率搭配得当,可增加振动力,噪音低,机体重量轻,体积小。
防堵塞能力强:利用高频振动和冲击力可消除由内摩擦,潮解,带电引起的堵塞现场。
无级调节:采用可调激振力的振动电机为激振源,激振力可随意调节。
多机组合:可多台组合使用,实现自同步能完成不同的工艺要求。
电磁仓壁振动器的控制原理为半波整流,电磁线圈由交流电经二极管整流供电,当线路接通后,正半周脉动直流电压加在电磁线圈上,由电磁铁的作用,在振动体和机座之间产生脉冲电磁力,振动体被吸引,此时弹性系统贮存势能,在负半周二极管不导通,电磁力消失,借助弹性系统贮存的势能,使振动体向相反的方向振动,这样周而复始,振动体便以交流电的频率往复振动。振动体的周期性高频振动,通过冲击块传递给料仓壁,仓壁的周期性振动,一方面使物料与仓壁脱离接触,另一方面使物料受交变速度和加速度的影响,处于不稳定状态,从而有效地克服物料的内摩擦力和聚焦力,使物料从料仓口顺利地排出。

| 型号 | 振动力(kg) | 功率(kw) | 工作电压(V) | 工作电流(A) | 振动频率(次/分) | 振动体幅度(mm) | 适用仓壁厚度(mm) |
| CZ10 | 10 | 0.008 | 220 | 0.11 | 3000 | 1.5 | 0.6-0.8 |
| CZ50 | 50 | 0.03 | 1.1 | 1.5 | 1.2-1.6 | ||
| CZ100 | 100 | 0.06 | 1.0 | 1.5 | 2.5-3.2 | ||
| CZ250 (CZ200) |
250 | 0.1 | 1.6 | 2 | 1.0-4.0 | ||
| CZ600 (CZ400) |
600 | 0.15 | 2.3 | 2 | 3.0-8.0 | ||
| CZ1000 (CZ800) |
1000 | 0.2 | 3.8 | 2 | 6.0-14 | ||
| CZ1500 | 1500 | 0.45 | 7.0 | 2 | 6.0-14 |

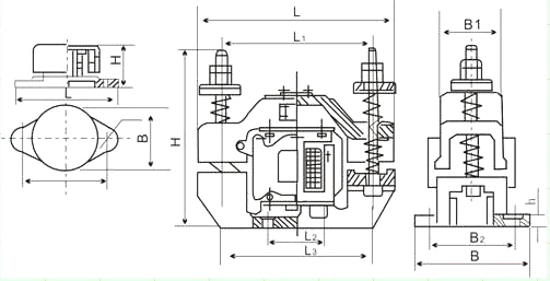
| 型号 | L1 | L2 | L3 | H | B | B1 | B2 | H | n |
| CZ10 | 134 | 62 | 6 | 2 | |||||
| CZ50 | 250 | 110 | 12 | 2 | |||||
| CZ100 | 260 | 145 | 210 | 20 | 2 | ||||
| CZ150 | 232 | 220 | 242 | 190 | 103 | 140 | 15 | 2 | |
| CZ200 | 232 | 220 | 242 | 190 | 103 | 140 | 15 | 2 | |
| CZ250 | 232 | 220 | 242 | 190 | 103 | 140 | 15 | 2 | |
| CZ400 | 300 | 100 | 262 | 363 | 240 | 170 | 190 | 20 | 4 |
| CZ600 | 300 | 100 | 262 | 363 | 240 | 170 | 190 | 20 | 4 |
| CZ800 | 375 | 120 | 460 | 380 | 295 | 170 | 230 | 35 | 4 |
| CZ1000 | 375 | 120 | 460 | 380 | 295 | 170 | 230 | 35 | 4 |
电磁仓壁振动器一般该安装在料仓下部沿仓高1/4的位置上。
1、全钢板料仓,仓壁振动器应焊接或用螺栓连接在料仓仓壁上。
2、上部为混凝土料仓,下部为钢制料仓,仓壁振动器应安装在钢制料斗壁上。
3、全混凝土和带加强筋钢制料仓,在仓内应附设振动板,仓壁振动器应安装在振动板上。
4、贮存纯粗块物料的料仓,这种料仓无论形状如何,均应在仓内附设振动板,仓壁振动器安装在振动板上。
5、溜槽,仓壁振动器应安装在溜槽易粘、堵塞的部位上。

Copyright ? 2007-2020 新乡市大汉振动机械有限公司 版权所有
All Rights Reserved 备案序号:豫ICP备09002479号-15