

【产品简介】
DBS-300顶击式振筛机筛具直径为300mm,同时具备顶击和回转运动,顶击次数为147次/分,顶击落距为10mm,可配备1-7层筛框,筛分粒度为0.038mm,并具备定时功能,可实现1-99分钟控制时间.
免费获取报价
全国统一销售热线
DBS-300型顶击式振筛机系在DBS-200型基础上改进的,改进后即能具备原型技术性能,又能保证振击次数稳定可靠,装夹套筛方便灵活,夹紧牢靠,并能自动停车,根据用户需要,可筛分多重特性的产品。

该机适用于地质、冶金、化工、建筑、煤炭国防、科研、砂轮制造、水泥等部门的化验和实验室对物料进行筛分分析。尤其对建筑业砂石骨料试验更为理想,可将15KG骨料分二次装料,每次开机五分钟,既方便有简单完成分级工作,受到选用单位的一致好评。
该产品结构先进,性能稳定可靠,欢迎广大用户选用。
| 序号 | 名称 | 单位 | 数值 | |
| 01 | 筛子直径 | mm | 300 | |
| 02 | 筛子叠高 | mm | 440 | |
| 03 | 筛座振幅 | mm | 8 | |
| 04 | 筛摇动次数 | 次/分 | 221 | |
| 05 | 振机次数 | 次/分 | 147 | |
| 06 | 回转半径 | mm | 12.5 | |
| 07 | A07142 | 功率 | 千瓦 | 0.37 |
| 电动机 | 转数 | 转/分 | 1400 | |
| 8 | 外形尺寸 | 长*宽*高 | mm | 600*400*880 |
| 9 | 总重量 | 公斤 | 130 | |
DBS-300顶击式振筛机电动机通过传动轴,蜗轮带动摆动架上的主偏心轴旋转,从而又连带动其他两个付偏心轴回转使整个筛组的摆动得到半径,也等于偏心距的平面周围摆动,同时在同一台电动机带动另一对蜗轮付通过凸轮,顶杆装有筛组的摆动架,周期地顶起靠自重下落在机座的砧座上,使摆动架得到平面圆周摇动的同时进行振击,然后由需要检测目数的筛框把小于筛网孔径的物料颗粒筛分至下层筛框,如此层层筛选,使每层试验筛内只留相同粒度的物料,达到不同粒度的分离并确定此物料的粒度组成。
DBS-300型顶击式振筛机结构如总图所示,主要有机座、上盖、回转机构、振机机构、夹紧机构与套筛组成,主要结构说明如下:

1、回转机构:

电动机(1A)带动传动轴(140A)与离合体(146A)转动轴套(145A)上的齿轮(135A),通过齿轮(125A)而带动齿轮轴(137A)上的小斜齿轮(141A)转动,小斜齿轮带动打斜齿轮(97A)使以键与之联接的空心的主偏心轴(74A)旋转,从而带动以120°均布于上盖(3A)上的三个付偏心轴(15A)回转,使真个活动架得到半径等于偏心距的正圆平面摇动。
2、振机机构:

在活动架得到正圆平面摇动的时候。通过以螺钉与之固连的主偏心上盖(70A)带动打击轴(109A)回转,使打击轴上的上端面凸轮(105A)旋转,同时齿轮轴(137A)上的齿轮(164A)通过齿轮(157A)(159A)带动齿轮轴(100A)上的小斜齿轮带动大斜齿轮(98A)使以键与之联接的下端面凸轮(107A)慢速旋转,上下端面凸轮同向转动产生轴向位移,造成打击轴往上顶起,直到上下平面凸轮缺口处就往下掉而得到振机运动,压缩弹簧(78A)的作用是增强打击力量之用。
3、夹紧机构:

旋转扭紧螺栓(55A)可使退拨螺母(54A)沿轴向移动,使筛盖固定顶杆(47A)往外伸长从而顶死筛盖导杆达到固定筛盖的目的。
4、润滑系统
DBS-300型顶击式振筛机结构润滑简单,轴承全部用润滑脂——黄油润滑而齿轮和铜套与主(付)偏心轴的润滑都是飞溅润滑。用20#机油3公斤为宜,注油咀(20A)可在付偏心轴处加注润滑油,以防飞溅不到。
5、 自动停车装置
旋转自动停车装置(93B)的电源开关接通电源后,由定时器通过中间继电器控制电动机长期运转货定时运转停止运转,为了保证安全工作,本机电机托盘装有接地线螺钉,用户必须规程接地。
数显操作方法

将电机线插头插在程控器插座上,将电源线插头插在三相线插座上
按下电源开关,显示屏亮,同时出现300秒。
设定时间:

①根据用户需要,按轻触键“△”为上调,按“▽”为下调,每按一次“△”“▽”为60秒。
②根据试验规程设定需要时间,按ON键机械开始工作,运行时指示灯亮。
③本仪器在正常工作时,需要?;碠FF键。
④每?;淮?,应重新设置时间。
⑤注意:使用时不要频繁开、关机器,?;笥η卸系缭?。
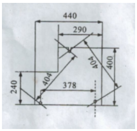
DBS-300型顶击式振筛机可以不用水泥基础直接安放水泥地面上开动也可以安装在水泥基础上,基础螺钉尺寸如图:其厚度300mm?;÷冻鲟敲娓叨燃按笮』蛴氲孛嫦嗥剑菥咛迨褂眯枰?,按电工规程安装电路与接地,安装完毕,接通电源后电动机回转方向与箭头相同,就又振机运动,若相反则电机空运转,此时可换接线头,方能正???/p>

开机前,拧出(155A)上螺栓,加足润滑油(用20-4号机油5公斤为宜),装套筛时先将扭紧螺栓(55A)左旋以松开筛盖固定顶杆(47A),然后连同筛盖(43A)往上提,然后右旋固定就可置套筛于筛托盘(62A)上,再将扭紧螺栓左右松开往下压并右旋使之固紧即可工作,根据工作需要,需要??山ブ脸??,需要定时工作可将旋钮转至要求定时位,需要途中?;?,应切断电源开关,让定时钟自行转至停止位置,不可强行扭回。
顶击式振筛机保养简单,每隔3-6个月更换机油一次,使用时注意避免盖板上的7根导杆的变形。
1、转动旋钮时,不应过快、过猛,以免损坏零件。
2、如要定的时间小于10分钟,应先使旋钮转过10分钟位置,再拧回到所需的定时位置。
3、必须注意防潮、防腐蚀,使用两年左右需清洗加油一次。

Copyright ? 2007-2020 新乡市大汉振动机械有限公司 版权所有
All Rights Reserved 备案序号:豫ICP备09002479号-15